主要电性能表
|
型 号 |
频率 (MHz) |
3dB带宽 (KHz) |
60dB带宽 (KHz) |
波动 (dB) |
群时延 (μs) |
互调 (dB) |
寄生 (dB) |
插损 (dB) |
端接阻抗 I/O(Ω) |
阻带 (dB) |
|
YXL2135J |
21.332 |
≥±25 |
≤98(45dB) |
≤1.0 |
≤5 |
\ |
≥60 |
≤2.5 |
50/50 |
≥70 |
|
L2145B |
21.4 |
≥50±1 |
≤100(45dB) |
≤1.0 |
≤5 |
≥85 |
≥60 |
≤3.0 |
50/1K |
≥80 |
|
YXL2145B-1 |
21.4 |
±25 |
≤500(80dB) |
≤1 |
≤5 |
≥85 |
≥60 |
≤3 |
50/50 |
≥80 |
|
YXL2145B-2 |
21.4 |
50±1 |
<100(45dB) |
≤1 |
≤5 |
≥85 |
≥60 |
≤3 |
50/1K |
≥75 |
|
YXL2145D |
21.4 |
≥50 |
≤120 |
≤0.5 |
≤7 |
\ |
≥60 |
≤3.0 |
50/50 |
≥75 |
|
YXL2145E |
21.4 |
≥30 |
≤90 |
≤2.0 |
≤7 |
\ |
≥60 |
≤4.0 |
50/50 |
≥70 |
|
YXL2145J |
21.4 |
±2 |
≤±12 |
≤2.0 |
≤110 |
\ |
≥50 |
≤4.0 |
50/50 |
≥70 |
|
YXL2145J-1 |
21.4 |
±15 |
≤±45 |
≤2.0 |
≤7 |
\ |
≥60 |
≤4.0 |
50/50 |
≥70 |
|
YXL2145J-2 |
21.4 |
±3.75 |
≤±13 |
≤2.0 |
≤40 |
\ |
≥60 |
≤4.0 |
50/50 |
≥70 |
|
YXL2145J-3 |
21.4 |
±7.5 |
≤±25 |
≤2.0 |
≤30 |
\ |
≥60 |
≤4.0 |
50/50 |
≥70 |
|
YXL2145J-4 |
21.4 |
≥±50 |
≤±180 |
≤2.0 |
≤7 |
\ |
≥40 |
≤4.0 |
50/50 |
≥70 |
|
YXL2145J-5 |
21.4 |
±25 |
<100(45dB) |
≤2.0 |
≤5 |
\ |
≥55 |
≤4.0 |
50/50 |
≥70 |
|
YXL2145J-6 |
21.4 |
≥±100 |
≤900 |
≤2.0 |
≤7 |
\ |
\ |
≤5.5 |
50/50 |
≥60 |
|
YXL2145J-7 |
21.4 |
≥±25 |
≤±250(80dB) |
≤1.5 |
≤31 |
\ |
\ |
≤4.0 |
50/50 |
≥80 |
|
YXL2145J-8 |
21.4 |
≥120 |
<600 |
≤1 |
\ |
≥80 |
≥35 |
≤5 |
50/50 |
≥60 |
|
YXL2145J-9 |
21.4 |
≥25 |
<60 |
≤1 |
\ |
≥80 |
≥50 |
≤5 |
50/50 |
≥70 |
|
YXL2145J-10 |
21.4 |
≥±11 |
≤±34 (70dB) |
≤1 |
≤10 |
≥80 |
≥60 |
<4 |
50/50 |
≥75 |
|
YXL2145J-11 |
21.4 |
≥±50 |
≤±200 |
≤1.5 |
≤8 |
≥80 |
≥50 |
≤5 |
50/50 |
≥75 |
|
YXL2145J-12 |
21.4 |
≥±50 |
≤±200(50dB) |
≤1.5 |
≤4 |
≥80 |
≥30 |
≤3.5 |
50/50 |
≥50 |
|
YXL2145K |
21.4 |
≥±2 |
≤±12 |
≤1.0 |
\ |
\ |
\ |
≤4.0 |
50/50 |
≥70 |
|
YXL2145K-1 |
21.4 |
≥±24 |
≤±60 |
≤0.5 |
≤7 |
\ |
≥60 |
≤3 |
50/50 |
≥75 |
|
YXL2145K-2 |
21.4 |
≥70 |
≤200(40dB) |
≤1 |
≤10 |
\ |
\ |
≤5 |
50/50 |
≤200 |
|
YXL2145K-3 |
21.4 |
≥±33 |
≤±85 |
≤1 |
≤15 |
\ |
\ |
≤4 |
50/50 |
≥73 |
|
YXL2145K-4 |
21.4 |
≥±25 |
≤±65 |
≤1 |
≤35 |
\ |
≥60 |
≤3 |
50/50 |
≥75 |
|
YXL2145K-5 |
21.4 |
≥±34 |
≤±85 |
≤1 |
≤15 |
\ |
\ |
≤4 |
50/50 |
≥73 |
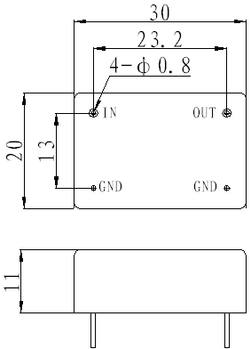
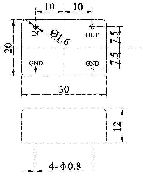
产品外形图